


ХАРАКТЕРИСТИКИ
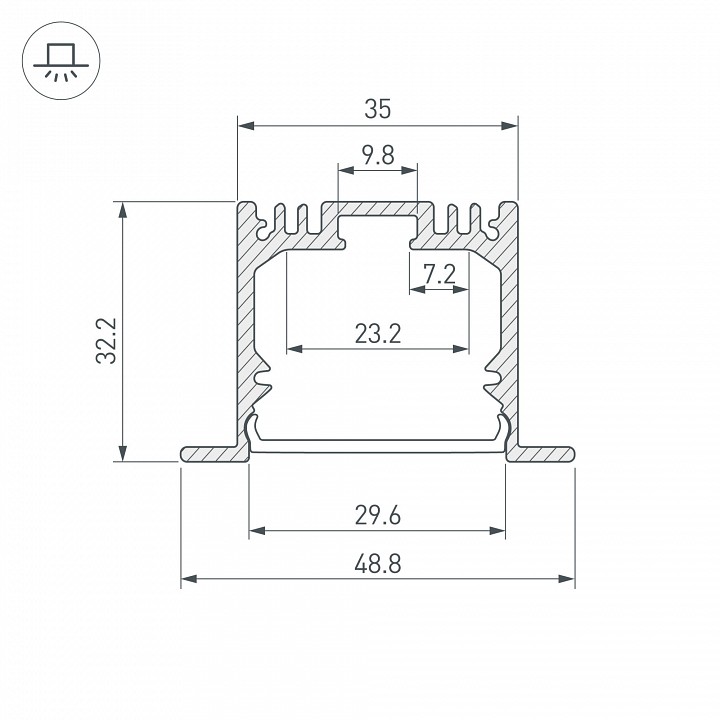
| Размеры, мм | 2500x49 |
|---|---|
| Запись типов | Комплектующие для модульных светильников,Профили |
| Основной цвет | разноцветная |
| Цвет арматуры | опал |
| Масса брутто, кг | 3.147 |
| Кратность товара | 1.0000 |
| Материал арматуры | металл |
| Объем упаковки, куб. м | 0.00392 |
| Страна производителя | Россия |
| Наименование на Яндексе | Профиль |
| Дополнительные параметры | Комплект с экраном. Встраиваемый профиль в комплекте с матовым экраном. Анодированный алюминий. Длина 2500мм, ширина 49мм (с фланцем). Цена за комплект 2,5м. Заглушки и держатели отдельно. Паз для установки 35х30.6 мм. |
| Диапазон рабочих температур | +1-[+35] |












