


ХАРАКТЕРИСТИКИ
| Длина, мм | 2000 |
|---|---|
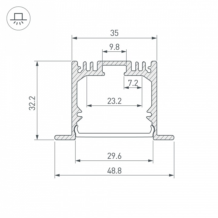
| Размеры, мм | 2000x49x32 |
| Запись типов | Комплектующие для светильников,Комплектующие для профильных светильников,Профили встраиваемые |
| Основной цвет | разноцветная |
| Масса нетто, кг | 1.482 |
| Масса брутто, кг | 0.77 |
| Кратность товара | 2.0000 |
| Материал арматуры | металл |
| Размер упаковки, мм | 2000x50x33 |
| Объем упаковки, куб. м | 0.00157 |
| Страна производителя | Россия |
| Наименование на Яндексе | Профиль встраиваемый |
| Дополнительные параметры | Встраиваемый профиль для линий света. Анодированный алюминий. Длина 2000мм, ширина 49мм (с фланцем). Цена за 1м. Экраны, заглушки отдельно. Паз для установки 35х30.6 мм. |
| Диапазон рабочих температур | +1-[+35] |












